Однотакт в двухтакт

Ответить
AdAn
Ученик
Сообщения: 88
Зарегистрирован: 24 янв 2016, 18:49

Однотакт в двухтакт

Сообщение AdAn » 31 янв 2016, 12:42

Иногда требуется превратить, а точнее использовать два такта, то есть сначала один импульс открывает что-то, а потом другой импульс что-нибудь делает.
Даже не так))) Например есть схема на таймере 555 (на одном таймере). Тогда получается у нас выход всего один и делает он - либо открывает ключ, либо закрывает. При этом можно также изменять скважность (длительность импульса) и бла-бла-бла. Но если вдруг потребуется использовать то время, в которое таймер не работает, что теперь делать?! Делать схему епт:
Onetakt_to_TwoTakt.png
Onetakt_to_TwoTakt.png (7.07 КБ) 47347 просмотров
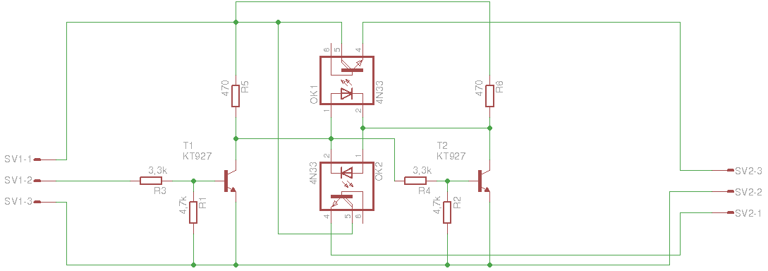
Вот эта схема! Номиналы корректные, схема рабочая. Вместо транзистора КТ927 можно использовать (сам использую) транзистор 2n2222.
Как работает схема? Просто) пока на базу транзистора VT1 не подан импульс, будет открыт транзистор VT2. Как только подается ток на базу первого тразистора, транзистор 2 закрывается.
В данной схеме нет дидтайма.
Не рекомендуется использовать в двухтактных преобразователях, если конечно это обычный импульсный преобразователь. Подходит к любой микросхеме - таймер 555, tl494 и так далее.
Может использоваться там где нужен короткий импульс и длинный заряд. Например как у меня - в кондерном заряднике =)

AdAn
Ученик
Сообщения: 88
Зарегистрирован: 24 янв 2016, 18:49

Re: Однотакт в двухтакт

Сообщение AdAn » 09 фев 2016, 22:46

Собственно осциллки:
AKIP0005.jpg
Видно отсутствие дидтайма.
Передний фронт около 1 мкс, задний фронт около 2 мкс. Используют оптроны 4n35, поэтому фронты такие:) По даташиту вообще среднее 7 мкс, так что у меня крутяк. Сами транзисторы (2n2222) высокочастотные, фронты менее 50 нс

Ответить